服务热线
董小姐:19930237990, 王先生:13718806882
产品展示
Products Classification| 比较项目 | 并联机器人 | 串联机器人 |
| 工作空间 | 小 | 大 |
| 刚度 | 高 | 低 |
| 奇异性问题 | 多 | 少 |
| 负载能力 | 高 | 低 |
| 惯量 | 小 | 大 |
| 结构 | 复杂 | 简单 |
| 位置精度 | 误差平均化 | 误差积累 |
| 速度 | 较高 | 较低 |
| 加速度 | 较高 | 较低 |
| 承载力 | 多杆积累 | 单杆限制 |
| 位置反解 | 容易 | 困难 |
| 位置正解 | 困难 | 容易 |
| 控制 | 复杂 | 简单 |
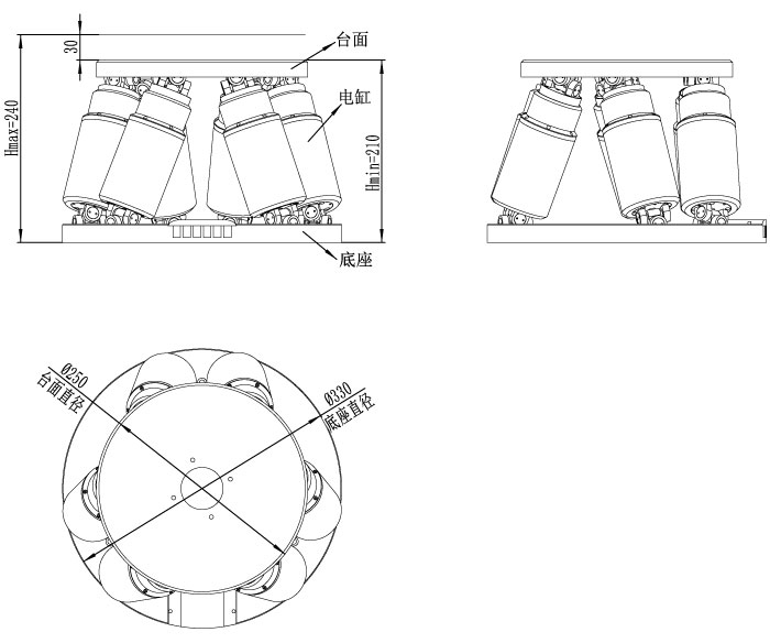
| 型号 | RUHX-S-300-220 | RUHX-S-330-250 |
| 运动轴 | X,Y,Z,θX,θY,θZ | |
| X、Y最大行程 | ±30mm | ±30mm |
| Z最大行程 | ±15mm | ±15mm |
| θX、θY 行程(俯仰) | ±12° | ±12° |
| θZ行程 | ±20° | ±20° |
| 电缸分辨率 | 0.1μm | 0.1μm |
| X、Y最小移动量 | 0.5μm | 0.5μm |
| Z最小移动量 | 0.5μm | 0.5μm |
| θX、θY最小移动量 | 0.001° | 0.001° |
| θZ最小位移动量 | 0.001° | 0.001° |
| X、Y回程 | 1μm | 1μm |
| Z回程 | 0.5μm | 0.5μm |
| θX、θY回程 | 0.0005° | 0.0005° |
| θZ回程 | 0.001° | 0.001° |
| X、Y双向重复精度 | ±0.3μm | ±0.3μm |
| Z双向重复精度 | ±0.1μm | ±0.1μm |
| θX、θY双向重复精度 | ±0.0005° | ±0.0005° |
| θZ双向重复精度 | ±0.0005° | ±0.0005° |
| X、Y和Z向上的最大速度 | 30mm/sec | 30mm/sec |
| θX、θY、θZ向上的最大速度 | 15°/sec | 15°/sec |
| 负载能力(底板为水平方向) | 50kg | 50kg |
| 负载能力(任意方向) | 12kg | 12kg |
| 断电保持力(底板为水平方向) | 80N | 80N |
| 断电保持力(任意方向) | 30N | 30N |
| XYZ刚度 | ≥1.7N/μm | |
| 电机类型 | 伺服电机+多圈绝对值编码器 | |
| 驱动类型 | EtherCAT总线通讯 | |
| 工作温度范围 | -20 到 50℃ | |
| 材料 | 不锈钢/铝合金 | |
| 质量 | 12.5kg | 15.5kg |


地址:河北省廊坊市大厂回族自治县云樾东方
电话:董小姐:19930237990, 王先生:13718806882
邮箱:王先生:wbh@bjruy.com

Copyright © 2002-2021 北京瑞钰科技有限公司 版权所有 备案号:京ICP备2021033966号

